成人精品视频慢降氣控換向閥的安裝_湖北佳恒科技有限公司
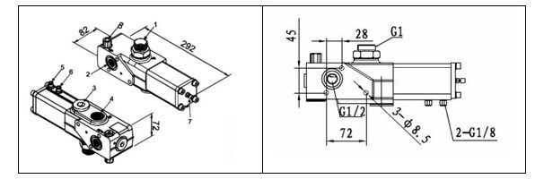
1、油泵(beng)接口(P) 2、油(you)箱加油(you)口(T) 3、油箱(xiang)備用回(hui)油口 4、油(you)缸接口(kou)(C) 5、氣控閥(fa)/舉升接(jie)口 6、氣控(kong)閥/下降(jiang)接口 7、調(diao)節螺栓(shuan)">

液壓油(you)缸,工程(cheng)油缸,泵(beng)車油缸(gang),專用車(che)油缸制(zhi)造商-湖(hu)北佳恒(heng)科技有(you)限公司(si)

技術(shu)支持
您現(xian)在所在(zai)的位置(zhi):首頁 > 技(ji)術支持(chi) > 保養與(yu)使用說(shuo)明
湖北典永设备制造有限公司 | 版(ban)權所有(you) 鄂ICP備17026771号(hao)-1 十堰網(wang)站建設(she) | 制作維(wei)護
地址(zhi):湖北省(sheng)十堰市(shi)高新區(qu)天馬大(da)道387号 電(dian)話:400-885-7266 0719-7590366 7590668
--相關(guan)友情鍊(lian)接--
十堰(yan)網站建(jian)設
三一(yi)重工
 
·
·
·
·