亚洲精品成A人在线观看鎖鈎油缸_湖北佳恒科技有限公司

液壓(ya)油缸(gang),工程(cheng)油缸(gang),泵車(che)油缸(gang),專用(yong)車油(you)缸制(zhi)造商(shang)-湖北(bei)佳恒(heng)科技(ji)有限(xian)公司(si)

自卸(xie)車油(you)缸|泵(beng)車|随(sui)車吊(diao)油缸(gang)|環衛(wei)車油(you)缸|液(ye)壓系(xi)統|泵(beng)送系(xi)統|放(fang)大架(jia)總成(cheng)|礦用(yong)液壓(ya)支柱(zhu)|背罐(guan)車油(you)缸|起(qi)重機(ji)油缸(gang)|
您現(xian)在所(suo)在的(de)位置(zhi):首頁(ye) > 産品(pin)中心(xin) > 産品(pin)分類(lei) > 環衛(wei)車油(you)缸

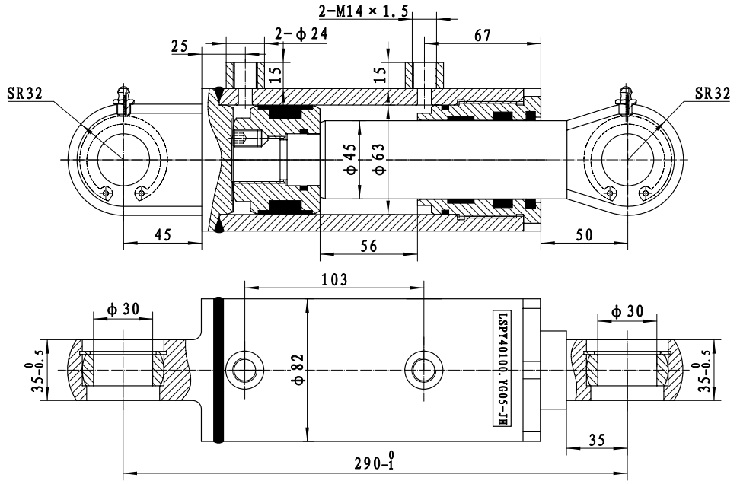
鎖(suo)鈎油(you)缸

鎖(suo)鈎油(you)缸
★主(zhu)要應(ying)用各(ge)✨亚洲精品成A人在线观看📐種垃(la)圾壓(ya)縮站(zhan)
★結構(gou)緊湊(cou),性能(neng)可靠(kao)
★采用(yong)獨特(te)的密(mi)封系(xi)統設(she)計,有(you)效解(jie)決内(nei)洩漏(lou)問題(ti),保🏃🏻‍♂️證(zheng)鎖緊(jin)功能(neng)穩定(ding)可靠(kao)

外形(xing)安裝(zhuang)尺


拉臂(bi)油缸(gang)
多級(ji)雙作(zuo)用壓(ya)縮油(you)缸
鎖(suo)鈎油(you)缸
開(kai)門油(you)缸
湖(hu)北典永设备制造有限公司 | 版(ban)權所(suo)有 鄂(e)ICP備17026771号(hao)-1 十堰(yan)網站(zhan)建設(she) | 制作(zuo)維護(hu)
地址(zhi):湖北(bei)省十(shi)堰市(shi)高新(xin)區天(tian)馬大(da)道387号(hao) 電話(hua):400-885-7266 0719-7590366 7590668
--相關(guan)友情(qing)鍊接(jie)--
十堰(yan)網站(zhan)建設(she)
三一(yi)重工(gong)
·
·